Комплексное решение для STM32F407VET6[FAQ]

image

512 КБ 512 КБ x 8 FLASH ARM® Cortex®-M4 32-битный микроконтроллер серии STM32F4 STM32F407 100 контактов 168 МГц 3,3 В 100-LQFP

В этом посте будут раскрыты распиновка STM32F407VET6, приложения и более подробная информация о STM32F407VET6.

Каталог

STM32F407VET6 CAD-модель

Распиновка STM32F407VET6

Обзор STM32F407VET6

STM32F407VET6 Приложения

STM32F407VET6 Альтернативы

Блок-схема STM32F407VET6

Пакет STM32F407VET6

STM32F407VET6 Производитель

Технические характеристики

Техническое описание в формате PDF

Детали с похожими характеристиками

STM32F407VET6 CAD-модель

Символ

image 

Символ STM32F407VET6

След

image 

STM32F407VET6 След

3D модель

image 

STM32F407VET6 3D модель

 

Распиновка STM32F407VET6

image 

Распиновка STM32F407VET6

Обзор STM32F407VET6

STM32F407VET6 — это микроконтроллер на базе высокопроизводительного 32-битного RISC-ядра ARM® Cortex®-M4, работающего на частоте до 168 МГц, из семейств  STM32F405xx и STM32F407xx .

 

STM32F407VET6 Приложения

·Моторный привод и управление внесением

·Медицинское оборудование

·Промышленное применение: ПЛК, инверторы, автоматические выключатели.

·Принтеры и сканеры

·Системы сигнализации, видеодомофона и вентиляции и кондиционирования

·Бытовая аудиотехника

 

STM32F407VET6 Альтернативы

·СТМ32Ф407ВЕТ7ТР

·STM32F407VET7XXX

·STM32F407VET6XXX

 

 

Блок-схема STM32F407VET6

image 

Блок-схема STM32F407VET6

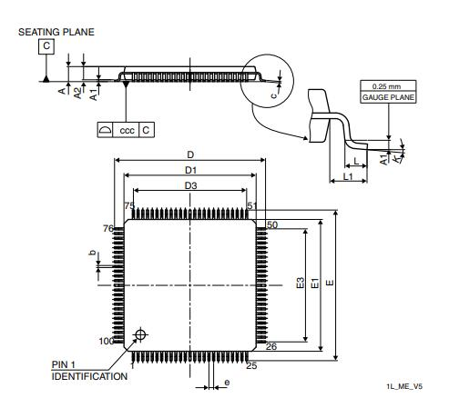
Пакет STM32F407VET6

image 

Пакет STM32F407VET6 

 

STM32F407VET6 Производитель

STMicroelectronics — глобальная независимая полупроводниковая компания, лидер в разработке и поставке полупроводниковых решений для всего спектра приложений микроэлектроники. Непревзойденное сочетание опыта в области кремний и систем, производственных мощностей, портфолио интеллектуальной собственности (IP) и стратегических партнеров ставит компанию в авангарде технологии «система-на-кристалле» (SoC), а ее продукты играют ключевую роль в обеспечении современных тенденций конвергенции.

 

Технические характеристики

Технические характеристики, атрибуты, параметры и детали STMicroelectronics STM32F407VET6, аналогичные спецификациям STMicroelectronics STM32F407VET6.

Тип

Параметр



Статус жизненного цикла

АКТИВНО (Последнее обновление: 7 месяцев назад)

Время выполнения заказа на заводе

12 недель

Тип монтажа

Поверхностный монтаж

Пакет/кейс

100-LQFP

Поверхностный монтаж

ДА

Количество контактов

100

Рабочая Температура

-40°C~85°C ТА

Упаковка

Поднос

Ряд

СТМ32Ф4

Статус детали

Активный

Уровень чувствительности к влаге (MSL)

3 (168 часов)

Количество окончаний

100

Подкатегория

Микроконтроллеры

Технологии

КМОП

Положение терминала

КВАД

Терминальная форма

КРЫЛО ЧАЙКИ

Напряжение питания

3,3 В

Терминал Питч

0,5 мм

Частота

168 МГц

Базовый номер детали

СТМ32F407

Количество контактов

100

Интерфейс

CAN, EBI/EMI, Ethernet, I2C, I2S, IrDA, LIN, SPI, UART, USART, USB

Объем памяти

512 КБ

Тип генератора

Внутренний

Количество входов/выходов

82

Размер оперативной памяти

192К х 8

Напряжение-питание (Vcc/Vdd)

1,8 В~3,6 В

Тип ИБП/UCS/периферийных микросхем

МИКРОКОНТРОЛЛЕР, РИСК

Основной процессор

ARM® Cortex®-M4

Периферийные устройства

Обнаружение/сброс снижения напряжения, DMA, I2S, ЖК-дисплей, POR, ШИМ, WDT

Тип памяти программы

ВСПЫШКА

Размер ядра

32-битный

Размер памяти программы

512 КБ 512 КБ x 8

Возможности подключения

CANbus, DCMI, EBI/EMI, Ethernet, I2C, IrDA, LINbus, SPI, UART/USART, USB OTG

Размер бита

32

Конвертер данных

А/Д 16х12б; Д/А 2х12б

Сторожевой таймер

Да

Имеет АЦП

ДА

Каналы DMA

ДА

Ширина шины данных

32б

Количество таймеров/счетчиков

14

Основная архитектура

РУКА

Семейство процессоров

КОРТЕКС-М4

Граничное сканирование

ДА

Режим низкого энергопотребления

ДА

Формат

ПЛАВАЮЩАЯ ЗАПЯТАЯ

Интегрированный кэш

НЕТ

Количество каналов АЦП

16

Количество внешних прерываний

16

Количество каналов ШИМ

2

Количество каналов I2C

3

Количество каналов Ethernet

1

Высота

1,45 мм

Длина

14,2 мм

Ширина

14,2 мм

ДОСТИГНУТЬ СВХК

Нет СВХК

Радиационная закалка

Нет

Статус RoHS

Соответствует ROHS3

Без свинца

Без свинца




Frequently Asked Questions

Что такое STM32F407VET6?
STM32F407VET6 — это высокопроизводительная базовая линия 32-битного микроконтроллера ARM Cortex-M4 в 100-контактном корпусе LQFP. Этот микроконтроллер включает в себя 32-битное RISC-ядро, работающее на частоте до 168 МГц.
Каковы применения микроконтроллера stm32f407xx?
Линии STM32F407/417 предназначены для медицинского, промышленного и потребительского применения, где требуется высокий уровень интеграции и производительности, встроенная память и богатый набор периферийных устройств внутри корпусов размером всего 10 x 10 мм.
STM32 лучше, чем Arduino?
Есть много причин, почему STM32 лучше. В наши дни контроллеры серии ATMEGA широко используются любителями благодаря платам Arduino. Если сравнить ATMEGA328, установленный на Arduino Uno, с STM32. STM 32 намного лучше микросхем ATMEGA во всем.
Почему STM32 так популярен?
STM32 намного мощнее AVR. Промышленные ПЛК и другие сложные устройства нуждаются в дополнительной вычислительной мощности и большем объеме памяти, а наличие такой дополнительной мощности упрощает написание и обслуживание сложного программного обеспечения, что делает его более надежным.

Related Articles

Микроконтроллер STM32L431RCT6: особенности, применение и техническое описание

Release time:2024-03-02       Page View:86
256 КБ 256 КБ x 8 FLASH ARM® Cortex®-M4 32-разрядный микроконтроллер STM32L4 серии STM32L431 64-контактный 80 МГц 3 В 64-LQFPSTM32L431RCT6 — микроконтроллер со сверхнизким энергопотреблением от STMicroelectronics.В этой ста...

STM32F103C6T6A: функции, приложения и техническое описание

Release time:2024-03-02       Page View:94
32 КБ 32 КБ x 8 FLASH ARM® Cortex®-M3 32-разрядный микроконтроллер STM32F1 серии STM32F103 48-контактный 72 МГц 48-LQFPВысокопроизводительное 32-битное RISC-ядро процессора ARM® CortexTM-M3, работающее на частоте 72 М...

Трансивер ISO1050DUBR: характеристики, применение и техническое описание

Release time:2024-03-02       Page View:104
8 клемм 5 В 8-контактные приемники ISO1050 1/1 Драйверы/приемники 1 ФункцииTexas Instruments ISO1050DUBR — это гальванически изолированный приемопередатчик CAN, соответствующий спецификациям стандарта ISO11898-...

74HC244D: обзор, особенности и применение

Release time:2024-03-02       Page View:91
ДВОЙНОЙ буфер, неинвертирующий, 2–6 В, 3-позиционные буферы Серия 74HC, 4 бита на элемент 7,8 мА 7,8 мА 20-SOIC (0,295, ширина 7,50 мм)8-битный драйвер буфера/линии с выходами с 3 состояниями — 74HC244;74HCT244.С устройс...

Триггер SN74HC74N: распиновка, применение и техническое описание

Release time:2024-03-02       Page View:96
2 В~6 В, 60 МГц D-триггер DUAL 74HC74 14 контактов Серия 74HC 14-DIP (0,300, 7,62 мм)Texas Instruments SN74HC74N — это двойной триггер D-типа с запуском по положительному фронту, с чистым сигналом и предустановкой.В этой ст...

Микросхема W25Q16JVSSIQ: особенности, применение и техническое описание

Release time:2024-03-02       Page View:76
Микросхема памяти SpiFlash® Серия SpiFlash® 5,23 мм ммWinbond Electronics W25Q16JVSSIQ — это микросхема памяти FLASH-NOR, емкостью 16 Мбит и способная работать с интерфейсом SPI-Quad I/O.В этой статье будут представле...

SN74LVC1G17DBVR: функции, приложения и техническое описание

Release time:2024-03-02       Page View:80
ДВОЙНОЙ буфер, неинвертирующий двухтактный буфер 1,65–5,5 В Серия 74LVC 74LVC1G17 5 контактов 32 мА 32 мА SC-74A, SOT-753Диапазон рабочего напряжения VCC для этого одиночного буфера с триггером Шмитта составл...

SN74LVC1G08DBVR: Обзор, применение и техническое описание

Release time:2024-02-28       Page View:53
3,3 В В 4 нс нс 4,5 нс нс 2,9 мм мм Вентиляторы и инверторы 32 мА мА 1,45 мм мм 15,790684 мг мг Поверхностный монтаж Поверхностный монтаж 1,65 В~5,5 В В 10 мкА мкАДиапазон рабочего напряжения VCC для этого единственног...

Регулятор напряжения L7805ACV: распиновка, применение и техническое описание

Release time:2024-02-28       Page View:63
Фиксированная жесть L7805 PMIC 3 TO-220-3STMicroelectronics L7805ACV — трехконтактный стабилизатор положительного напряжения, который может обеспечивать фиксированное выходное напряжение 5 В и максимальный в...

NC7WZ07P6X: обзор, приложения и техническое описание

Release time:2024-02-28       Page View:76
ДВОЙНОЙ буфер, неинвертирующий 1,65–5,5 В Буферы с открытым стоком Серия 7WZ 7WZ07 1 бит на элемент — 32 мА 6-TSSOP, SC-88, SOT-363Используя выходы с открытым стоком, NC7WZ07 представляет собой двойной буфер, со...

Коммутатор STMPS2151STR: характеристики, применение и техническое описание

Release time:2024-02-28       Page View:85
N-канальный PMIC STMPS2151 5-контактный 5 В SC-74A, SOT-753STMicroelectronics STMPS2151STR — это переключатель распределения питания, способный выдерживать большие емкостные нагрузки и короткие замыкания.В этой...

Микроконтроллер STM32F107VCT6: особенности, применение и техническое описание

Release time:2024-02-28       Page View:85
256 КБ 256 КБ x 8 FLASH ARM® Cortex®-M3 32-разрядный микроконтроллер STM32F1 серии STM32F107 100 контактов 72 МГц 3,3 В 100-LQFPSTMicroelectronics STM32F107VCT6 — это микроконтроллер, принадлежащий к серии устройств основной ...
RFQ
BOM