Atmega8a против Atmega328P [Видео+Часто задаваемые вопросы]

32 КБ 16 КБ x 16 FLASH AVR 8-битный микроконтроллер AVR® серии ATmega ATMEGA328P 28 контактов 20 МГц 5 В 28-DIP (0,300, 7,62 мм)
ATmega8A и Atmega328P — два контроллера с низким энергопотреблением. Хотя они выглядят одинаково, названия у них разные — 8А и 328Р. Сравнивая ATmega8A и Atmega328P, мы увидим, являются ли они взаимозаменяемыми и в чем их различия. Здесь мы сравним основные характеристики, особенности и блок-схему аккумуляторов ATmega8A и Atmega328P.
Каталог
Обзор Atmega8a и Atmega328P
Atmega8a против Atmega328P: особенности
Atmega8a и Atmega328P: Приложения
Atmega8a против Atmega328P: Параметры
Atmega8a против Atmega328P: эквиваленты
Atmega8a против Atmega328P: функциональная блок-схема
Atmega8a против Atmega328P: Техническое описание
Как безопасно использовать Atmega328P и Atmega8a в течение длительного времени?
Обзор Atmega8a и Atmega328P
Обзор ATmega8A
Microchip AVR® ATmega8A представляет собой 8-разрядный CMOS-микроконтроллер с низким энергопотреблением, основанный на архитектуре AVR RISC. Выполняя мощные инструкции за один такт, ATmega8A достигает пропускной способности, приближающейся к 1 MIPS на МГц, что позволяет разработчику системы оптимизировать энергопотребление в зависимости от скорости обработки.
Обзор ATmega328P
ATMEGA328P от Microchip — это высокопроизводительный контроллер с низким энергопотреблением. ATMEGA328P — 8-битный микропроцессор, построенный на архитектуре AVR RISC. Это наиболее широко используемый контроллер AVR, поскольку он используется в платах ARDUINO.
ATMEGA328P и ATmega8A — это две 28-контактные микросхемы, имеющие такую же распиновку, как показано на схеме контактов выше. Многие контакты чипа имеют множество функций. В таблице ниже мы опишем функции каждого контакта.
пин код | Описание | Функция |
1 | ПК6 | Перезагрузить |
2 | ПД0 | ЦифровойПин (Прием) |
3 | ПД1 | ДиджиталПин (Техас) |
4 | ПД2 | ЦифровойПин |
5 | ПД3 | Цифровой вывод (ШИМ) |
6 | ПД4 | ЦифровойПин |
7 | Вкк | Положительное напряжение (мощность) |
8 | Земля | Земля |
9 | ХТАЛ 1 | кварцевый генератор |
10 | XTAL2 | кварцевый генератор |
11 | ПД5 | Цифровой вывод (ШИМ) |
12 | ПД6 | Цифровой вывод (ШИМ) |
13 | ПД7 | ЦифровойПин |
14 | ПБ0 | ЦифровойПин |
15 | ПБ1 | Цифровой вывод (ШИМ) |
16 | ПБ2 | Цифровой вывод (ШИМ) |
17 | ПБ3 | Цифровой вывод (ШИМ) |
18 | ПБ4 | ЦифровойПин |
19 | ПБ5 | ЦифровойПин |
20 | АВ СС | Положительное напряжение для АЦП (питание) |
21 | ССЫЛКА | опорное напряжение |
22 | Земля | Земля |
23 | ПК0 | аналоговый вход |
24 | ПК1 | аналоговый вход |
25 | ПК2 | аналоговый вход |
26 | ПК3 | аналоговый вход |
27 | ПК4 | аналоговый вход |
28 | ПК5 | аналоговый вход |
Atmega8a против Atmega328P: особенности
Возможности Atmega8a
·Высокопроизводительный 8-битный микроконтроллер Atmel AVR с низким энергопотреблением
·Усовершенствованная RISC-архитектура
- 131 мощная инструкция – максимальное выполнение за один такт
- 32 × 8 рабочих регистров общего назначения + регистры управления периферией
- Полностью статическая работа
- Пропускная способность до 16MIPS при частоте 16 МГц
- Встроенный двухтактный умножитель
·Сегменты энергонезависимой памяти высокой надежности
- 8 КБ внутрисистемной самопрограммируемой флэш-памяти программ
- 512 байт ЭСППЗУ
- Внутренняя SRAM 1 КБ
- Циклы записи/стирания: 10 000 флэш-памяти/100 000 EEPROM
- Срок хранения данных: 20 лет при 85°C/100 лет при 25°C(1)
- Дополнительный раздел загрузочного кода с независимыми битами блокировки
·Внутрисистемное программирование с помощью встроенной программы загрузки
·Истинная операция чтения во время записи
- Программная блокировка для обеспечения безопасности программного обеспечения
Периферийные функции
– Два 8-битных таймера/счетчика с отдельным прескалером и режимом сравнения
– Один 16-битный таймер/счетчик с отдельным прескалером, режимом сравнения и режимом захвата
– Счетчик реального времени с отдельным генератором
– Три канала ШИМ
– 8-канальный АЦП в корпусе TQFP и VQFN
Восемь каналов, точность 10 бит
– 6-канальный АЦП в корпусе PDIP
·Шесть каналов, 10-битная точность
– Последовательный интерфейс Master/Slave SPI
– Программируемый сторожевой таймер со встроенным генератором
– Встроенный аналоговый компаратор
– Байт-ориентированный 2-проводной последовательный интерфейс
·Специальные возможности микроконтроллера
– Сброс при включении питания и программируемое обнаружение провала напряжения
– Внутренний калиброванный RC-генератор
– Внешние и внутренние источники прерываний
– Шесть режимов сна: режим ожидания, шумоподавление АЦП, энергосбережение, пониженное энергопотребление, режим ожидания и расширенный режим ожидания. Ввод-вывод и пакеты.
̶ - 23 программируемые линии ввода/вывода
̶ -28-выводной PDIP, 32-выводной TQFP и 32-контактный VQFN
·Рабочее напряжение
– 2,7–5,5 В
– 0–16 МГц
·Потребляемая мощность при 4 МГц, 3 В, 25°C
- Активный: 3,6 мА
- Режим ожидания: 1,0 мА
- Режим пониженного энергопотребления: 0,5 мкА
Возможности Atmega328P
·Семейство высокопроизводительных 8-битных микроконтроллеров AVR® с низким энергопотреблением
·Усовершенствованная RISC-архитектура
-131 мощная команда – максимальное выполнение за один такт
-32 x 8 рабочих регистров общего назначения
-Полностью статическая работа
-Пропускная способность до 20 MIPS при частоте 20 МГц
-Встроенный 2-тактный умножитель
·Высоконадежные энергонезависимые сегменты памяти
-4/8/16/32 КБ внутрисистемной самопрограммируемой флэш-памяти программ
-256/512/512/1 КБ EEPROM
-512/1 КБ/1 КБ/2 КБ внутренней статической памяти
-Циклы записи/стирания: 10 000 Flash/100 000 EEPROM
-Сохранение данных: 20 лет при 85°C/100 лет при 25°C(1)
-Дополнительный раздел загрузочного кода с независимыми битами блокировки
·Внутрисистемное программирование с помощью встроенной программы загрузки
·Истинная операция чтения во время записи
·Программная блокировка для обеспечения безопасности программного обеспечения
·Поддержка библиотеки QTouch®
-Емкостные сенсорные кнопки, ползунки и колеса.
-Приобретение QTouch и QMatrix™
-До 64 сенсорных каналов
·Периферийные функции
-Два 8-битных таймера/счетчика с отдельным прескалером и режимом сравнения
-Один 16-битный таймер/счетчик с отдельным прескалером, режимом сравнения и режимом захвата
-Счетчик реального времени с отдельным генератором
-Шесть каналов ШИМ
-8-канальный 10-битный АЦП в корпусе TQFP и QFN/MLF
·Измерение температуры
-6-канальный 10-битный АЦП в корпусе PDIP
·Измерение температуры
-Программируемый последовательный USART
-Последовательный интерфейс Master/Slave SPI
-Байт-ориентированный 2-проводной последовательный интерфейс (совместим с Philips I2C)
-Программируемый сторожевой таймер с отдельным встроенным генератором
-Встроенный аналоговый компаратор
-Прерывание и пробуждение при смене контакта
·Специальные возможности микроконтроллера
- Сброс при включении питания и программируемое обнаружение отключения питания
-Внутренний калиброванный генератор
-Внешние и внутренние источники прерываний
-Шесть режимов сна: режим ожидания, шумоподавление АЦП, энергосбережение, пониженное энергопотребление, режим ожидания и расширенный режим ожидания.
·Ввод-вывод и пакеты
-23 программируемые линии ввода/вывода
-28-контактный PDIP, 32-контактный TQFP, 28-контактный QFN/MLF и 32-контактный QFN/MLF
·Рабочее напряжение:
-1,8–5,5 В
· Диапазон температур:
- от -40°С до 85°С
·Скорость:
̶ 0–4 МГц при 1,8–5,5 В, 0–10 МГц при 2,7–5,5 В , 0–20 МГц при 4,5–5,5 В
·Потребляемая мощность при 1 МГц, 1,8 В, 25°C
̶ Активный режим: 0,2 мА
̶ Режим пониженного энергопотребления: 0,1 мкА
·Режим энергосбережения: 0,75 мкА (включая RTC 32 кГц)
Atmega8a и Atmega328P: Приложения
Atmega8a и Atmega328P могут использоваться в одних и тех же приложениях благодаря схожим параметрам. Некоторые примеры приведены ниже:
·Погодные системы
·Приложения беспроводной связи
·Приложения, основанные на безопасности
·Проекты и системы в области медицины и здравоохранения
·Приложения, связанные с автомобилем
·Системы управления промышленным оборудованием
·Машины и приложения на солнечной энергии
·Приложения на базе Интернета вещей
·Приложения на основе источников питания и зарядных устройств
Atmega8a против Atmega328P: Параметры
ATMEGA8A | АТМЕГА328П | |
Пакет/кейс | 28-ДИП (0,300, 7,62 мм) | 28-ДИП (0,300, 7,62 мм) |
Количество каналов АЦП | 6 | 8 |
Рабочая Температура | -40°C~85°C ТА | -40°C~105°C ТА |
Количество окончаний | 28 | 28 |
Высота | 4,572 мм | 4,064 мм |
Ширина | 7,49 мм | 7,49 мм |
Напряжение-питание (Vcc/Vdd) | 2,7 В~5,5 В | 1,8 В~5,5 В |
Количество каналов ШИМ | 3 | 6 |
Частота | 16 МГц | 20 МГц |
Размер памяти программы | 8 КБ 4K х 16 | 32 КБ |
Размер оперативной памяти | 1К х 8 | 2К х 8 |
Atmega8a против Atmega328P: эквиваленты
ATMEGA328P можно заменить на ATMEGA8.
ATMEGA8 можно заменить на ATMEGA328P.
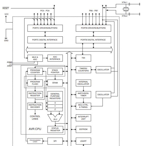
Atmega8a против Atmega328P: функциональная блок-схема
Блок-схема Atmega8P
Блок-схема Atmega328P
Как безопасно использовать Atmega328P и Atmega8a в течение длительного времени?
Чтобы обеспечить долгосрочную производительность или использовать Atmega328P и Atmega8a в своем электронном устройстве или проекте в течение многих лет, имейте в виду, что микросхемы или микросхемы довольно хрупкие и требуют осторожного обращения. Подаваемое напряжение не должно быть более 5,5В . Перед подключением к микросхеме всегда проверяйте выход источника напряжения . При тестировании на макетной плате или пайке в схеме настоятельно рекомендуется проверить все контакты на наличие коротких замыканий перед включением микросхемы . Предпочтительно использовать гнездо для микросхемы , но перед размещением микросхемы проверьте контакты гнезда микросхемы на наличие короткого замыкания.
Frequently Asked Questions
















