SN7406N Инвертирующий буфер: как использовать SN7406N?

5 В В 23 нс нс 23 нс нс 19,3 мм мм Вентиляторы и инверторы 40 мА мА 5,08 мм мм Сквозное отверстие для поверхностного монтажа 4,75 В~5,25 В В 32 мА мкА
Устройства SN7406N имеют высоковольтные выходы с открытым коллектором для взаимодействия с цепями высокого уровня (такими как МОП) или для управления сильноточными нагрузками (такими как лампы или реле), а также предназначены для использования в качестве инверторных буферов для управления входами TTL. . В этой статье речь пойдет о распиновке, функциях, применении и более подробной информации о SN7406N.
Каталог
Обзор SN7406N
Особенности SN7406N
Распиновка SN7406N
Технические характеристики
SN7406N CAD-модель
Схема SN7406N
SN7406N Эквиваленты
Детали с похожими характеристиками
SN7406N Технический паспорт
SN7406N Приложения
Как использовать SN7406N
SN7406N Информация о упаковке
Обзор SN7406N
Устройства SN7406N имеют высоковольтные выходы с открытым коллектором для управления сильноточными нагрузками (например, лампами или реле), а также инверторные буферы для управления входами TTL. Минимальное напряжение пробоя SN5406 и SN7406 составляет 30 В. Минимальное напряжение пробоя SN5416 и SN7416 составляет 15 В. Максимальный ток стока SN5406 и SN5416 составляет 30 мА, тогда как максимальный ток стока SN7406 и SN7416 составляет 30 мА. 40 мА.
Особенности SN7406N
·Преобразование уровней напряжения TTL в уровни MOS
·Высокий ток потребления
·Входные ограничительные диоды упрощают проектирование системы
·Драйверы с открытым коллектором для индикаторных ламп и реле
·Входы полностью совместимы с большинством TTL-схем
Распиновка SN7406N
Распиновка SN7406N
Контакт Описание
Пин код | Имя контакта | Описание |
1, 3, 5, 9, 11, 13 | 1А, 2А, 3А, 4А, 5А, 6А | Входы уровня TTL |
2, 4, 6, 8, 10, 12 | 1 год, 2 года, 3 года, 4 года, 5 лет, 6 лет | Выходы с открытым коллектором |
7 | Земля | заземление IC |
14 | В СС | Контакт питания |
Технические характеристики
Технические характеристики, характеристики, параметры и детали Texas Instruments SN7406N, аналогичные характеристикам Texas Instruments SN7406N.
Тип | Параметр | ||
Статус жизненного цикла | АКТИВНО (последнее обновление: 3 дня назад) | Время выполнения заказа на заводе | 6 недель |
Устанавливать | Сквозное отверстие | Тип монтажа | Сквозное отверстие |
Пакет/кейс | 14-ДИП (0,300, 7,62 мм) | Количество контактов | 14 |
Рабочая Температура | 0°С~70°С | Упаковка | Трубка |
Ряд | 7400 | Код JESD-609 | е4 |
Особенность | Открытый коллектор | Статус детали | Активный |
Уровень чувствительности к влаге (MSL) | 1 (без ограничений) | Количество окончаний | 14 |
Прекращение действия | Сквозное отверстие | ECCN-код | EAR99 |
Терминал отделки | Никель/Палладий/Золото (Ni/Pd/Au) | Дополнительная функция | ИОЛ = 40МА @ VOL = 0,7 В; IOH = 0,25 МА @ VOH = 30 В |
Код HTS | 8542.39.00.01 | Подкатегория | Ворота |
Технологии | ТТЛ | Напряжение питания | 4,75 В~5,25 В |
Положение терминала | ДВОЙНОЙ | Количество функций | 6 |
Напряжение питания | 5В | Терминал Питч | 2,54 мм |
Базовый номер детали | SN7406 | Количество контактов | 14 |
Рабочее напряжение питания | 5В | Полярность | Инвертирование |
Источники питания | 5В | Количество каналов | 6 |
Емкость нагрузки | 15пФ | Выходной ток | 40 мА |
Задержка распространения | 23 нс | Ток покоя | 32 мА |
Включить время задержки | 23 нс | Семья | ТТЛ/Г/Л |
Логическая функция | Буфер, Инвертор, Инвертирование | Ток — выходной высокий, низкий | - 40 мА |
Тип логики | Инвертор | Макс I(ол) | 0,04 А |
Макс. задержка распространения @ V, Макс. CL | 23 нс при 5 В, 15 пФ | Логический уровень – низкий | 0,8 В |
Логический уровень – высокий | 2В | Максимальный ток источника питания (ICC) | 51 мА |
Количество выходных линий | 6 | Вход триггера Шмитта | Нет |
Высота | 5,08 мм | Длина | 19,3 мм |
Ширина | 6,35 мм | Толщина | 3,9 мм |
ДОСТИГНУТЬ СВХК | Нет СВХК | Статус RoHS | Соответствует ROHS3 |
Без свинца | Без свинца |
SN7406N CAD-модель
SN7406N Символ
SN7406N Площадь основания
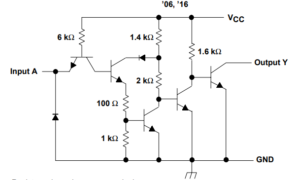
Схема SN7406N
Схема SN7406N
SN7406N Эквиваленты
·CD4049
·CD40106
SN7406N Приложения
·Переводчик уровня TTL в уровень MOS
·Индикаторная лампа и драйвер реле
·Водитель двигателя
Как использовать SN7406N
Имея вход логического уровня TTL и выход с открытым коллектором , SN7406N представляет собой шестнадцатеричный инвертирующий буфер . Выход с открытым коллектором полезен, поскольку он позволяет нам подключить внешний подтягивающий резистор к любому напряжению, что позволяет нам взаимодействовать между различными семействами логических систем, такими как логика TTL 5 В и логика CMOS 15 В, путем подключения подходящего подтягивающего резистора к 15 В. .
Драйвер двигателя, драйвер катушки реле и преобразователь логического уровня входят в число прикладных схем, показанных на схеме ниже.
SN7406N Информация о упаковке
SN7406N Информация о упаковке
Frequently Asked Questions
















