STM8S003F3P6TR: обзор, функции и приложения

8 КБ 8K x 8 FLASH STM8 8-битный микроконтроллер серии STM8S STM8S003 20 контактов 16 МГц 3,3 В 20-TSSOP (0,173, ширина 4,40 мм)
В дополнение к встроенной EEPROM с истинными данными, 8-битные микроконтроллеры линейки значений STM8S003F3/K3 предоставляют 8 Кбайт флэш-памяти программ.
Каталог
·STM8S003F3P6TR Описание
·STM8S003F3P6TR Распиновка
·STM8S003F3P6TR CAD-модель
·STM8S003F3P6TR Особенности
·Технические характеристики
·Детали с похожими характеристиками
·Пакет STM8S003F3P6TR
·Техническое описание в формате PDF
STM8S003F3P6TR Описание
В дополнение к встроенной EEPROM с истинными данными, 8-битные микроконтроллеры линейки значений STM8S003F3/K3 предоставляют 8 Кбайт флэш-памяти программ. В справочном руководстве по семейству микроконтроллеров STM8S (RM0016) они называются устройствами с низкой плотностью. Ниже приведены преимущества устройств линейки STM8S003F3/K3: надежность, производительность и более низкая стоимость системы.
Настоящие данные EEPROM, обеспечивающие до 100 000 циклов записи/стирания, сложные периферийные устройства и ядра, изготовленные с использованием новейших технологий с тактовой частотой 16 МГц, надежные входы/выходы, независимые сторожевые таймеры с собственным источником тактовой частоты и система безопасности тактового сигнала – все это способствует производительности и надежности устройства.
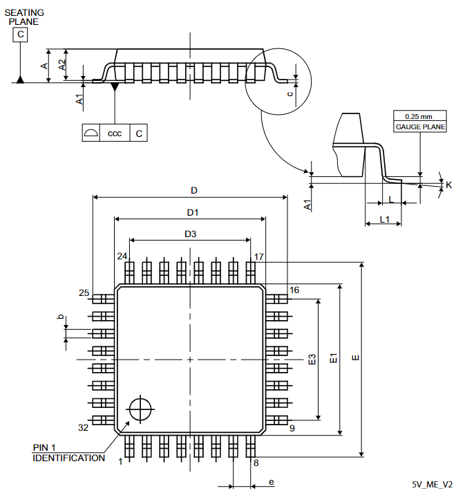
STM8S003F3P6TR Распиновка
STM8S003F3P6TR CAD-модель
Символ

След

3D модель
STM8S003F3P6TR Особенности
·Этот усовершенствованный таймер управления является 16-разрядным, имеет четыре канала CAPCOM, три дополнительных выхода, вставку мертвого времени и переменную синхронизацию.
·16-битный универсальный таймер с тремя каналами CAPCOM (IC, OC или PWM).
·8-битный прескалер и базовый таймер
·Автоматический таймер пробуждения
·Сторожевые таймеры, как независимые, так и оконные
Технические характеристики
Технические характеристики, атрибуты, параметры и детали STMicroelectronics STM8S003F3P6TR, аналогичные спецификациям STMicroelectronics STM8S003F3P6TR.
Тип | Параметр | ||
Статус жизненного цикла | АКТИВНО (Последнее обновление: 6 месяцев назад) | Время выполнения заказа на заводе | 8 недель |
Устанавливать | Поверхностный монтаж | Тип монтажа | Поверхностный монтаж |
Пакет/кейс | 20-ТССОП (ширина 0,173, 4,40 мм) | Количество контактов | 20 |
Рабочая Температура | -40°C~85°C ТА | Упаковка | Лента и катушка (TR) |
Ряд | СТМ8С | Код JESD-609 | е4 |
Статус детали | Активный | Уровень чувствительности к влаге (MSL) | 1 (без ограничений) |
Количество окончаний | 20 | ECCN-код | EAR99 |
Терминал отделки | Никель/Палладий/Золото (Ni/Pd/Au) | Максимальная рассеиваемая мощность | 238мВт |
Положение терминала | ДВОЙНОЙ | Терминальная форма | КРЫЛО ЧАЙКИ |
Напряжение питания | 3,3 В | Частота | 16 МГц |
Базовый номер детали | СТМ8С003 | Количество контактов | 20 |
Интерфейс | I2C, ИК-порт, LIN, SPI, UART | Объем памяти | 8 КБ |
Тип генератора | Внутренний | Количество входов/выходов | 16 |
Размер оперативной памяти | 1К х 8 | Напряжение-питание (Vcc/Vdd) | 2,95 В~5,5 В |
Тип ИБП/UCS/периферийных микросхем | МИКРОКОНТРОЛЛЕР | Основной процессор | СТМ8 |
Периферийные устройства | Обнаружение/сброс провала напряжения, POR, ШИМ, WDT | Тип памяти программы | ВСПЫШКА |
Размер ядра | 8-битный | Размер памяти программы | 8КБ 8К х 8 |
Возможности подключения | I2C, ИК-порт, LINbus, SPI, UART/USART | Размер бита | 8 |
Конвертер данных | А/Д 5x10b | Сторожевой таймер | Да |
Имеет АЦП | ДА | Каналы DMA | НЕТ |
Ширина шины данных | 8б | ШИМ-каналы | ДА |
Количество таймеров/счетчиков | 3 | Размер EEPROM | 128 х 8 |
Ширина ПЗУ встроенной программы | 8 | Граничное сканирование | НЕТ |
Режим низкого энергопотребления | ДА | Формат | ФИКСИРОВАННАЯ ТОЧКА |
Интегрированный кэш | НЕТ | Количество каналов АЦП | 5 |
Максимальная температура перехода (Tj) | 150°С | Количество внешних прерываний | 16 |
Размер оперативной памяти для данных чипа | 8 | Диапазон температур окружающей среды: высокий | 85°С |
Количество каналов SPI | 1 | Высота | 1,2 мм |
Радиационная закалка | Нет | Статус RoHS | Соответствует ROHS3 |
Без свинца | Без свинца |
Пакет STM8S003F3P6TR
Frequently Asked Questions
















