Types de capteurs de pression
Introduction
Les appareils capables de mesurer la pression et de fournir des signaux électriques à distance sont collectivement appelés capteurs de pression. Le capteur de pression est un élément important de l’instrument de détection de pression et ses types structurels sont variés. Les types courants incluent le capteur de pression à jauge de contrainte, le capteur de pression piézorésistif, le capteur de pression capacitif, le capteur de pression piézoélectrique et le capteur de pression de type fréquence de vibration.
De plus, il existe des capteurs de pression photoélectriques, à fibres optiques et à ultrasons. Le capteur de pression peut convertir directement la pression mesurée en diverses formes de signaux électriques, ce qui est pratique pour répondre aux exigences de détection et de contrôle centralisés des systèmes automatisés, et est donc largement utilisé dans la production industrielle.
II Qu'est-ce qu'un capteur de pression ?
Un capteur de pression (Pressure Transducer) est un appareil capable de détecter des signaux de pression et de les convertir en signaux électriques de sortie utilisables conformément à certaines règles.
En parlant de capteurs de pression, il faut en déduire le concept de transmetteur de pression.
Habituellement, le capteur est constitué de deux parties, à savoir l'élément sensible et l'élément de conversion. L'élément sensible fait référence à la partie du capteur qui peut directement ressentir ou répondre à la mesure ; l'élément de conversion fait référence à la partie du capteur qui convertit la contrainte mesurée ressentie ou répondue par l'élément sensible en un signal électrique adapté à la transmission ou à la mesure.
Le signal de sortie du capteur étant généralement très faible, il doit être modulé et amplifié. Avec le développement de la technologie intégrée, les gens installent également cette partie du circuit ainsi que l'alimentation électrique et d'autres circuits à l'intérieur du capteur. De cette manière, le capteur peut émettre des signaux utilisables, faciles à traiter et à transmettre. Lorsque la technologie est relativement arriérée dans le passé, le soi-disant capteur fait référence à l'élément sensible ci-dessus et l'émetteur est l'élément de conversion ci-dessus.
Le capteur de pression fait généralement référence à un élément sensible qui convertit un signal de pression modifié en un signal de résistance ou de capacité correspondant, tel qu'un élément piézorésistif, un élément piézorésistif, etc. Le transmetteur de pression fait généralement référence à un ensemble complet d'unités de circuit pour mesurer la pression composé d'un élément sensible à la pression et d'un circuit de conditionnement. Il peut généralement émettre directement un signal de tension standard ou un signal de courant linéairement lié à la pression pour l'instrument, l'automate, la carte d'acquisition, etc. L'appareil collecte directement.
Capteurs de pression
III Termes courants pour les capteurs de pression
La pression est l'un des paramètres importants dans la production industrielle. Afin d'assurer le fonctionnement normal de la production, la pression doit être surveillée et contrôlée. Les termes suivants sont couramment utilisés lors de la sélection d'un capteur de pression :
(1) Pression standard
La pression exprimée en termes de pression atmosphérique est supérieure à la pression atmosphérique est appelée pression positive ; inférieure à la pression atmosphérique est appelée pression négative.
(2) Pression absolue
La pression s'exprime dans le vide absolu.
(3) Pression relative
L'ampleur de la pression pour l'objet de comparaison (pression standard).
(4) Pression atmosphérique
Fait référence à la pression atmosphérique. La pression atmosphérique standard (1atm) équivaut à la pression d'une colonne de mercure de 760 mm.
(5) Vide
Désigne un état de pression inférieur à la pression atmosphérique. 1 Torr = 1/760 pression atmosphérique (atm).
(6) Plage de pression de détection
Fait référence à la plage de pression adaptable du capteur.
(7) Peut résister à la pression
Lorsque la pression d'essai est rétablie, les performances peuvent résister à la pression sans dégradation.
(8) Précision aller - retour
À une certaine température (23 ° C), lorsque la pression augmente ou diminue, la valeur de fluctuation de pression du point de fonctionnement obtenue en divisant la valeur de pression inversée de sortie par la valeur à pleine échelle de la pression détectée est obtenue.
(9) Précision
À une certaine température (23 °C), lorsque la pression nulle et la pression nominale sont ajoutées, la valeur obtenue en supprimant la valeur s'écartant de la valeur spécifiée du courant de sortie (4 mA, 20 mA) avec la valeur pleine échelle. L'unité est exprimée en % FS.
(10) Linéaire
La sortie analogique change linéairement avec la pression détectée, mais elle s'écarte de la ligne droite idéale. L’expression de cet écart en pourcentage de la valeur à pleine échelle est appelée linéarité.
(11) Hystérésis (linéaire)
Utilisez la tension nulle et la tension nominale pour tracer une ligne droite idéale entre la valeur du courant (ou de la tension) de sortie, trouvez la différence entre la valeur du courant (ou de la tension) et la valeur idéale du courant (ou de la tension) comme erreur, puis trouvez le montée et descente de pression Valeur d'erreur de temps. La valeur obtenue en divisant la valeur du courant (ou de la tension) à pleine échelle par la valeur maximale de la valeur absolue de la différence ci-dessus est l'hystérésis. L'unité est exprimée en % FS.
(12) Hystérésis
La valeur obtenue en divisant la différence entre la pression du point ON de sortie et la pression du point OFF par la valeur de pleine échelle de la pression est l'hystérésis.
(13) G non corrosif comme
Désigne les substances (azote, dioxyde de carbone, etc.) et les gaz inertes (argon, néon, etc.) contenus dans l'air.
Capteur de pression
IV Paramètres
Il existe de nombreux types de capteurs de pression, et leurs performances sont également très différentes. Comment choisir un capteur plus adapté pour une utilisation économique et raisonnable ?
(1)Plage de pression nominale
La plage de pression nominale est la plage de pression qui correspond à la valeur spécifiée dans la norme. Autrement dit, entre les températures les plus élevées et les plus basses, la plage de pression de sortie du capteur répond aux caractéristiques de fonctionnement spécifiées. En application réelle, la pression mesurée par le capteur se situe dans cette plage.
(2)Plage de pression maximale
La plage de pression maximale fait référence à la pression maximale à laquelle le capteur peut résister pendant une longue période sans provoquer de modifications permanentes des caractéristiques de sortie. En particulier pour les capteurs de pression à semi-conducteurs, afin d'améliorer les caractéristiques de linéarité et de température, la plage de pression nominale est généralement considérablement réduite. Par conséquent, même s’il est utilisé continuellement au-dessus de la pression nominale, il ne sera pas endommagé. Généralement, la pression maximale est 2 à 3 fois la valeur la plus élevée de la pression nominale.
(3)Dommages Pression
La pression de dommage fait référence à la pression maximale qui peut être appliquée au capteur sans endommager l'élément du capteur ou le boîtier du capteur.
(4)Linéarité
La linéarité fait référence à l'écart maximal de la relation linéaire entre la sortie du capteur et la pression dans la plage de pression de service.
(5)Pression H ystérésis
Il s'agit de la différence entre la sortie du capteur lorsque la pression de service minimale et la pression de service maximale s'approchent d'une certaine pression à température ambiante et dans une plage de pression de service.
(6)Plage de température
La plage de température du capteur de pression est divisée en une plage de température de compensation et une plage de température de fonctionnement. La plage de température compensée est due à la compensation de température appliquée, et la précision entre dans la plage de température dans la plage nominale. La plage de température de fonctionnement est la plage de température permettant de garantir que le capteur de pression peut fonctionner normalement.
Petit capteur de pression
V Types de capteurs de pression et leurs principes
5.1 Capteur de pression à jauge de contrainte
5.1.1 Définition et composition du capteur de pression à jauge de contrainte
Le capteur de pression de type déformation est un capteur qui mesure indirectement la pression en mesurant la déformation de divers éléments élastiques. Selon les différents matériaux, l'élément de contrainte peut être divisé en deux catégories : le métal et le semi-conducteur. Le principe de fonctionnement de l'élément de contrainte est basé sur « l'effet de contrainte » du conducteur et du semi-conducteur, c'est-à-dire que lorsque le conducteur et le matériau semi-conducteur sont déformés mécaniquement, la valeur de la résistance change.
5.1.2 Principe de fonctionnement du capteur de pression à jauge de contrainte
Lorsque le fil métallique est soumis à une force externe, sa longueur et sa section transversale changent, ainsi que sa valeur de résistance. Si le fil métallique est allongé par une force externe, sa longueur augmentera, tandis que la section transversale diminuera et la valeur de la résistance augmentera. Grand. Lorsque le fil métallique est comprimé par une force externe, la longueur diminue, la section augmente et la valeur de la résistance diminue. Tant que la variation de la tension aux bornes de la résistance est mesurée, la déformation du fil tendu peut être obtenue.
Capteur de pression à jauge de contrainte
5.2 Capteur de pression piézorésistif
5.2.1 Définition du capteur de pression piézorésistif
Le capteur de pression piézorésistif fait référence à un capteur fabriqué en utilisant l'effet piézorésistif d'un matériau de silicium monocristallin et de la technologie des circuits intégrés. Une fois que le matériau de silicium monocristallin est soumis à une force, la résistivité change et la sortie du signal électrique proportionnelle au changement de force peut être obtenue via le circuit de mesure. Il est également appelé capteur de pression piézorésistif en silicium diffusé. Elle est différente de la jauge de contrainte adhésive qui doit détecter indirectement la force externe à travers l'élément sensible élastique mais détecte directement la pression mesurée à travers le diaphragme en silicium.
5.2.2 Principe du capteur de pression piézorésistif - E ffect piézorésistif
Les capteurs de pression piézorésistifs sont principalement basés sur l' effet piézorésistif . L'effet piézorésistif est utilisé pour décrire le changement de résistance d'un matériau soumis à une contrainte mécanique. Contrairement à l'effet piézoélectrique, l'effet piézorésistif produit uniquement des changements d'impédance et ne génère pas de charges.
La plupart des matériaux métalliques et semi-conducteurs ont des effets piézorésistifs. Parmi eux, l’effet piézorésistif des matériaux semi-conducteurs est bien supérieur à celui des métaux. Le silicium étant aujourd’hui la principale matière première des circuits intégrés, l’application d’éléments piézorésistifs en silicium devient très significative. Le changement de résistance du silicium provient non seulement de la déformation géométrique liée aux contraintes, mais également de la résistance du matériau lui-même, liée aux contraintes, qui rend son facteur de degré des centaines de fois supérieur à celui du métal.
Le changement de résistance du silicium de type N est principalement dû à la redistribution des porteurs entre les vallées de bandes de conduction de mobilité différente provoquée par le déplacement de ses trois paires de vallées de bandes de conduction, ce qui entraîne à son tour une modification de la mobilité des électrons dans différentes directions d'écoulement. . La seconde est due au changement de masse efficace dû au changement de forme de la vallée de la bande de conduction . Dans le silicium de type P, ce phénomène devient plus compliqué et conduit également à des changements de masse équivalents et à une conversion de trous.
Le capteur de pression piézorésistif est généralement connecté à la crête Wheatstone B via le fil conducteur. Normalement, le noyau sensible n'a pas de pression externe et le pont est dans un état équilibré (appelé position zéro). Lorsque la pression du capteur change, la résistance de la puce change et le pont perd son équilibre. Si vous ajoutez une alimentation à courant ou à tension constante au pont, le pont émettra un signal de tension correspondant à la pression, de sorte que le changement de résistance du capteur soit converti en un signal de pression émis par le pont. Le pont détecte le changement de valeur de résistance, après amplification, puis par conversion de tension et de courant, il est transformé en signal de courant correspondant, qui est compensé par la boucle de correction non linéaire, c'est-à-dire que la tension d'entrée correspond linéairement à la relation signal de sortie standard 4 ~ 20 mA.
Afin de réduire l'influence des changements de température sur la valeur de résistance du noyau et d'améliorer la précision des mesures, les capteurs de pression adoptent des mesures de compensation de température pour maintenir un niveau élevé d'indicateurs techniques tels que la dérive zéro, la sensibilité, la linéarité, la stabilité, etc.
Capteur de pression piézorésistif
5.3 Capteur de pression capacitif
5.3.1 Définition et principe du capteur de pression capacitif
Un capteur de pression capacitif est un capteur de pression qui utilise la capacité comme élément sensible pour convertir la pression mesurée en un changement de valeur de capacité. Ce type de capteur de pression utilise généralement un film métallique rond ou un film métallisé comme électrode du condensateur. Lorsque le film est déformé par la pression, la capacité formée entre le film et l'électrode fixe change. Signaux électriques d'une certaine relation.
5.3.2 Classification des capteurs de pression capacitifs
Les capteurs de pression capacitifs sont des capteurs capacitifs avec des distances entre pôles variables, qui peuvent être divisés en capteurs de pression capacitifs simples et capteurs de pression capacitifs différentiels.
(1) Capteur de pression capacitif unique
Il se compose d'un film circulaire et d'une électrode fixe. La membrane se déforme sous l'influence de la pression, modifiant ainsi la capacité du condensateur. Sa sensibilité est à peu près proportionnelle à la surface et à la pression de la membrane et inversement proportionnelle à la tension de la membrane et à la distance entre la membrane et l'électrode fixe.
Un autre type d'électrode fixe prend une forme sphérique concave et un diaphragme est un plan de tension fixé autour de la périphérie. Le diaphragme peut être réalisé en plaquant une couche métallique de plastique. Ce type convient à la mesure de basse tension et possède une capacité de surcharge élevée. Un capteur de pression à capacité unique qui mesure la haute pression peut également être réalisé avec un diaphragme à pôles mobiles avec un piston. Ce type peut réduire la zone de compression directe du diaphragme, de manière à utiliser un diaphragme plus fin pour améliorer la sensibilité. Il est également livré avec diverses pièces de compensation et de protection et des circuits amplificateurs afin d'améliorer la capacité anti-interférence. De tels capteurs conviennent à la mesure de hautes tensions dynamiques et à la télémétrie des avions. Le capteur de pression à capacité unique est également de type microphone (c'est-à-dire de type microphone) et de type stéthoscope.
(2) Capteur de pression capacitif différentiel
L'électrode à diaphragme sous pression du capteur de pression capacitive différentielle est située entre deux électrodes fixes pour former deux condensateurs. Sous l’effet de la pression, la capacité d’un condensateur augmente et l’autre diminue en conséquence. Le résultat de la mesure est émis par le circuit différentiel. Son électrode fixe est réalisée en plaquant une couche métallique sur la surface du verre incurvée concave. En cas de surcharge, le diaphragme est protégé par la surface concave et ne se brisera pas.
Le capteur de pression capacitif différentiel a une sensibilité plus élevée et une meilleure linéarité que le type capacitif unique, mais il est plus difficile à traiter (particulièrement difficile à assurer la symétrie) et ne peut pas obtenir l'isolation du gaz ou du liquide mesuré, il n'est donc pas adapté. pour travailler dans des fluides corrosifs ou impuretés.
Capteur de pression capacitif
5.4 Capteur de pression piézoélectrique
Les capteurs de pression piézoélectriques sont principalement basés sur l'effet piézoélectrique (effet piézoélectrique), qui utilise des composants électriques et d'autres machines pour convertir la pression à mesurer en électricité, puis effectue des travaux de mesure associés. Instruments de précision tels que de nombreux transmetteurs de pression et capteurs de pression.
L'effet piézoélectrique peut être divisé en effet piézoélectrique positif et effet piézoélectrique inverse.
(1) Effet piézoélectrique positif
Lorsque le cristal est soumis à une force externe dans une direction fixe, un phénomène de polarisation électrique se produit à l'intérieur, et une charge opposée au signe est générée sur certaines deux surfaces ; lorsque la force externe est supprimée, le cristal revient à l'état non chargé ; Lorsqu'elle change, la polarité de la charge change en conséquence ; la quantité de charge générée par la force cristalline est proportionnelle à l'ampleur de la force externe. La plupart des capteurs piézoélectriques sont fabriqués en utilisant l'effet piézoélectrique positif.
(2) Effet piézoélectrique inverse
L'effet piézoélectrique inverse fait référence au phénomène d'application d'un champ électrique alternatif au cristal pour provoquer une déformation mécanique du cristal, également connue sous le nom d'effet électrostrictif. Les transducteurs fabriqués avec l'effet piézoélectrique inverse peuvent être utilisés en ingénierie électroacoustique et ultrasonique. Il existe cinq formes fondamentales de déformation piézoélectrique : la déformation en épaisseur, la déformation en longueur, la déformation en volume, le cisaillement en épaisseur et le cisaillement plan. Les cristaux piézoélectriques sont anisotropes et tous les cristaux ne peuvent pas produire des effets piézoélectriques dans ces cinq états. Par exemple, le cristal de quartz n'a pas d'effet piézoélectrique de déformation en volume mais a un bon effet piézoélectrique de déformation en épaisseur et en longueur.
Capteur de pression piézoélectrique
5.5 Capteur de pression inductif
Le capteur de pression électromagnétique est le nom général d'une variété de capteurs utilisant des principes électromagnétiques, notamment un capteur de pression inductif, un capteur de pression Hall, un capteur de pression à courants de Foucault, etc.
Le principe de fonctionnement du capteur de pression inductif est dû aux différents matériaux magnétiques et à la perméabilité. Lorsque la pression agit sur le diaphragme, la taille de l’entrefer change. La modification de l'entrefer affecte la modification de l'inductance de la bobine. La sortie de signal correspondante, de manière à atteindre l'objectif de mesurer la pression. Ce type de capteur de pression peut être divisé en deux types selon le changement de circuit magnétique : à réluctance variable et à perméabilité variable.
(1) Les principaux composants du capteur de pression à réluctance variable sont le noyau de fer et le diaphragme. L'entrefer qui les sépare forme un circuit magnétique. Lorsqu'il y a de la pression, la taille de l'entrefer change, c'est-à-dire que la résistance magnétique change. Si une certaine tension est appliquée à la bobine à noyau de fer, le courant changera avec le changement de l'entrefer, mesurant ainsi la pression.
(2) Dans le cas d'une densité de flux magnétique élevée, la perméabilité du matériau ferromagnétique est instable. Dans ce cas, un capteur de pression à perméabilité variable peut être utilisé pour la mesure. Le capteur de pression à perméabilité variable remplace le noyau de fer par un élément magnétique mobile. Le changement de pression provoque le mouvement de l'élément magnétique et la perméabilité change, obtenant ainsi la valeur de pression.
Capteur de pression inductif
5.6 Capteur de pression Hall
Les capteurs de pression Hall sont fabriqués sur la base de l'effet Hall de certains matériaux semi-conducteurs. L'effet Hall fait référence au phénomène selon lequel lorsqu'un conducteur solide est placé dans un champ magnétique et qu'un courant passe, les porteurs de charge dans le conducteur sont polarisés d'un côté par la force de Lorentz, puis une tension (tension Hall) est générée. La force du champ électrique provoquée par la tension équilibrera la force de Lorentz. Grâce à la polarité de la tension Hall, on peut confirmer que le courant à l’intérieur du conducteur est provoqué par le mouvement de particules chargées négativement (électrons libres).
L'application d'un champ magnétique perpendiculaire à la direction du courant sur le conducteur provoquera la collecte des électrons dans le fil par la force de Lorentz, générant ainsi un champ électrique dans la direction de la concentration électronique. Ce champ électrique équilibrera les électrons suivants par l'électricité. La force de Lorentz provoquée par le champ magnétique permet aux électrons suivants de passer en douceur sans dériver. C'est ce qu'on appelle l' effet Hall . La tension intégrée générée est appelée tension Hall.
Capteur à effet Hall
5.7 Capteur de pression à courants de Foucault
Le capteur de pression est basé sur l' effet des courants de Foucault . L'effet des courants de Foucault est provoqué par l'intersection d'un champ magnétique en mouvement et d'un conducteur métallique, ou par l'intersection perpendiculaire d'un conducteur métallique en mouvement et d'un champ magnétique. En bref, cela est dû à l’effet d’induction électromagnétique. Cette action produit un courant circulant dans le conducteur.
Les caractéristiques des courants de Foucault font que la détection des courants de Foucault a une réponse en fréquence nulle et d'autres caractéristiques, de sorte que le capteur de pression à courants de Foucault peut être utilisé pour la détection de force statique.
Sondes à courants de Foucault
5.8 Capteur de pression résonant
Le capteur de pression résonant est un capteur de pression qui utilise un élément résonant pour convertir la pression mesurée en signal de fréquence. Les applications importantes des capteurs résonants sont le capteur de pression à corde vibrante, le capteur de pression à cylindre vibrant, le capteur de pression à membrane et le capteur de pression résonnant à cristal de quartz.
Lorsque le paramètre mesuré change, la fréquence de vibration naturelle de l'élément vibrant change en conséquence. Grâce au circuit de mesure correspondant, un signal électrique ayant une certaine relation avec le paramètre mesuré peut être obtenu.
Capteur de pression résonant
VI C ircuit d' alimentation électrique et de traitement du signal du capteur de pression piézorésistif
6.1 C ircuit d' alimentation électrique
Le capteur piézorésistif peut être alimenté par une source de tension constante ou une source de courant constant. Cependant, par rapport à la source de courant constant, il existe un problème selon lequel l'influence de la température ambiante ne peut pas être éliminée.
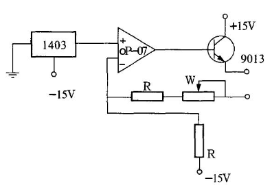
Circuit d'alimentation
En supposant que les résistances initiales des quatre résistances de diffusion sont toutes égales et R, en cas de contrainte, les résistances des deux résistances augmentent d'un incrément de △R, et les deux autres résistances diminuent d'une diminution de △R. En raison de l'influence de la température, chaque petite valeur de résistance présente une variation de △R T . Par conséquent, la sortie du pont :
A pression constante :
On peut voir que la tension de sortie V est liée à la température et est non linéaire, donc lorsque l'alimentation est fournie par une source de tension constante, l'influence de la température ne peut pas être éliminée. Dans un courant constant V = I △ R .
Cela montre que la tension de sortie V est indépendante de la température, ce qui élimine l'influence de la température sur le signal de sortie du capteur. Par conséquent, le circuit d'alimentation à source de courant constant, comme indiqué dans la figure ci-dessous, peut être utilisé, qui UTILISE une double alimentation pour éviter les interférences en mode commun. La stabilité du courant I 0 = 215/R dépend de la stabilité de la source de tension de référence 1403 et de la résistance R.
Circuit
6.2 Circuit de traitement
Le signal de sortie à pleine échelle du capteur piézorésistif va de 70 à 350 mV et son impédance de sortie est très élevée. Cela nécessite que le circuit amplificateur ait une impédance d'entrée plus élevée et n'absorbe pas le courant de la sortie du capteur pour éviter de détruire l'état de fonctionnement du capteur. Le circuit amplificateur présenté ici est illustré ci-dessous.
Circuit de traitement
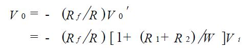
Ce circuit a une impédance d'entrée élevée et un taux de réjection en mode commun et un gain en boucle ouverte élevés ; le courant de décalage, la tension, le bruit et la dérive sont faibles. Sur la figure, A 1, A 2 forment le premier étage de l'amplificateur différentiel parallèle en phase, la sortie amplifiée de cet étage est V 0 ′ = V 01 -V 02 = [ 1+ (R 1 + R 2 )/W ]V je , UNE 1 ,UNE 2 . La borne d'entrée n'absorbe pas de courant et la structure du circuit est symétrique. La dérive et le décalage s'annulent, ce qui a la capacité de supprimer les interférences du signal en mode commun ; A 3 constitue la deuxième étape d'amplification différentielle pour augmenter le facteur d'amplification. Pour supprimer efficacement les interférences de signal en mode commun, le circuit doit avoir R 3 = R 4 = R , R 5 = R 6 = R f et la sortie totale de l'amplificateur est
Ajustez le potentiomètre W pour modifier le gain de l'amplificateur, soit R 1 = R 2 , puis V 0 = - (R f /R) [1+ 2R /W ]V i .
VII Une question relative au capteur de pression
7.1 Question
Quel capteur mesure la pression par rapport à un vide parfait ?
a) Capteur de pression absolue
b) Capteur de pression relative
c) Capteur de pression à vide
d) Capteur de pression différentielle
7.2 Réponse
Réponse : a
Explication : Les capteurs de pression peuvent être classés en termes de plages de pression qu'ils mesurent, de plages de température de fonctionnement et, surtout, du type de pression qu'ils mesurent. Un capteur de pression absolue est un capteur qui mesure la pression par rapport à un vide parfait.
VIII FAQ
1. Quel est le principe d’un capteur de pression ?
Les transducteurs de pression possèdent un élément de détection de la zone constante et répondent à la force appliquée à cette zone par la pression du fluide. La force appliquée fera dévier le diaphragme à l’intérieur du transducteur de pression. La déviation du diaphragme interne est mesurée et convertie en sortie électrique.
2. Qu'entendez-vous par capteur de pression ?
Un capteur de pression est un appareil ou un instrument capable de mesurer la pression dans des gaz ou des liquides. Un capteur de pression se compose d'un élément sensible à la pression qui peut déterminer la pression appliquée et de composants pour convertir les informations en signal de sortie.
3. Un capteur de pression est-il analogique ou numérique ?
Le capteur de pression produira un signal de sortie analogique proportionnel à la quantité de pression appliquée. Ces capteurs de pression sont utilisés pour différents types d'applications telles que les plaques piézoélectriques ou les capteurs piézoélectriques utilisés pour la génération de charges électriques.
4. Où serait utilisé un capteur de pression ?
Les capteurs de pression sont utilisés dans de nombreux appareils automobiles, médicaux, industriels, grand public et du bâtiment, qui dépendent de mesures de pression précises et stables pour fonctionner de manière fiable.
5. Comment fonctionne un capteur de pression statique ?
Le capteur de pression statique est un capteur de pression différentielle conçu pour surveiller la différence de pression entre l'intérieur et l'extérieur d'un bâtiment. Dans les systèmes de ventilation, la pression statique est la pression exercée par l’air à l’intérieur d’un bâtiment, par rapport à la pression de l’air extérieur, lorsque les ventilateurs d’extraction sont allumés.
6. Que détecte un capteur de pression ?
Un capteur de pression est un appareil électronique qui détecte, régule ou surveille la pression et convertit les données physiques perçues en signal électronique.
7. Quels sont les inconvénients des capteurs de pression ?
Les inconvénients des capteurs de pression capacitifs incluent la sensibilité aux tensions de décharge électrostatique (ESD) inférieures et un coût plus élevé en raison de volumes de fabrication inférieurs.
8. Quelle est la différence entre un pressostat et un capteur de pression ?
Les pressostats sont utilisés dans les systèmes pour assurer la sécurité de la machine et de ses opérateurs, tandis que les capteurs transmettent simplement une lecture de pression à un emplacement distant.
9. Quelle est la stabilité du capteur de pression ?
La stabilité à long terme des capteurs de pression est définie par la variation maximale acceptable des valeurs zéro et d'échelle au cours de l'intervalle d'étalonnage du capteur. En bref, pour qu’un capteur soit considéré comme stable, il doit maintenir une très faible dérive de ses mesures sur l’intervalle d’étalonnage.
10. Comment utiliser un capteur de pression ?
La pression provoquera une déviation d'un diaphragme, sollicitant la disposition du pont de Wheatstone de l'autre côté du diaphragme et créant une sortie mV/V. Ce signal millivolt est ensuite lu par un appareil capable d'accepter un signal millivolt ou vers un amplificateur ou un conditionneur de signal pour un traitement ultérieur du signal.
