Использование SiC-GaN для создания двухфазных преобразователей постоянного тока с чередованием для подключаемых к сети электромобилей

Привет всем, добро пожаловать в новый пост сегодня. В этом посте будет представлено использование SiC-GaN для создания двухфазных преобразователей постоянного тока с чередованием фаз для подключаемых к сети электромобилей.

Темы, затронутые в этой статье:

Ⅰ. Математический расчет моделей

Ⅱ. Результаты после моделирования

Ⅲ. Заключение

 

Спрос на электромобили растет с каждым днем, главным образом из-за сокращения запасов ископаемого топлива. Более того, выбирать электромобили экономически выгодно, так как они требуют меньших эксплуатационных расходов и не наносят ущерба окружающей среде. Учитывая эти факты, логично повысить эффективность аккумуляторов и комплектующих. Один из способов сделать это — использовать в преобразователях мощности широкозонную ленту, нитрид галлия и карбид кремния вместо кремния, поскольку традиционные преобразователи постоянного тока приводят к огромным потерям мощности.

Недавно выяснилось, что транзисторы GaN более эффективны из-за меньших потерь мощности переключения по сравнению с SiC. Поскольку плотность мощности жизненно важна для универсальных преобразователей постоянного тока, силовые электронные преобразователи в PEV и коммерческие GaN-транзисторы с боковой структурой не могут использоваться, поскольку они имеют высокие ограничения по мощности.
Благодаря использованию универсального преобразователя количество используемых модулей уменьшится, что, в свою очередь, повысит удельную мощность и надежность, что поможет нам улучшить эффективность и конструкцию электромобилей. Чтобы преодолеть ограничение боковых GaN-транзисторов, можно использовать многофазную топологию для применения универсального преобразователя постоянного тока в PEV. Однако здесь есть свои проблемы. Препятствием является то, что многофазный преобразователь с повышенным числом фаз неприменим для силовой электроники.

Для решения этих проблем рассматривается новый двухфазный двунаправленный повышающий преобразователь с чередованием, в котором одна фаза основана на GaN, а другая — на основе SiC. Принцип, лежащий в его основе, заключается в использовании фазы на основе GaN только для преобразования мощности в диапазоне 1–15 кВт. Другая фаза обеспечивает преобразование мощности более 15 кВт.

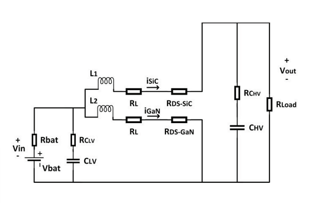
Современные приложения, такие как коммутация с несколькими входами и при нулевом напряжении, используют многофазную топологию для распределения тока между двумя фазами. Эта же технология используется в преобразователе мощности. Однако в отличие от других преобразователей в предлагаемой конструкции используются активные устройства разных типов. Конфигурация преобразователя представлена на рисунке 1.

image 

           Рис.1 Схема преобразователя на основе SiC-GaN

Можно подумать, что, поскольку в этой конфигурации распределение тока не соответствует, диод с более высоким током будет иметь более высокую температуру, что в конечном итоге приведет к нестабильности. Хотя это не так, поскольку из-за двунаправленной топологии обе стороны преобразователя представляют собой транзисторы. Более того, поскольку нет необходимости в корпусных и встречно-параллельных диодах, эта технология оказывается огромным достижением.

При проектировании дросселя важно учитывать режим проводимости преобразователя, который в данном случае считается непрерывным. Учитывая это, количество индуктора можно рассчитать, как показано в уравнении 1:

image 

Уравнение 1

Здесь Vo — напряжение шины постоянного тока, Vin — напряжение батареи, ςfs — частота переключения, а IL(min) — минимальные токи дросселя. Поскольку минимальный ток подается только через фазу GaN, преимущества небольшого размера дросселя по сравнению с однофазным преобразователем не было. Одновременно можно рассчитать высоковольтный конденсатор, как показано в уравнении 2:

image 

Уравнение 2

Ⅰ. Математический расчет моделей

 Мы исследуем интервалы, чтобы получить математическую модель преобразователя. Следовательно, мы анализируем режим повышения напряжения, в котором требуется коэффициент напряжения, эквивалентный 2 (Vin = 300 [В] и Vo = 600 [В]). Рабочий цикл повышающего преобразователя и его коэффициент напряжения приведены ниже:

image 

Уравнение 3

В приведенном выше уравнении η — это КПД преобразователя. Поскольку КПД всегда меньше 1, рабочий цикл преобразователя превышает 50 процентов. С другой стороны, команды переключения в двухфазном преобразователе с чередованием имеют временной сдвиг T/2, где T = 1/fs — период времени. С учетом этого возможные токи индуктора показаны ниже:

 image

Рисунок.2 Токи индуктора

На приведенном выше рисунке для конвертера есть три интервала:

image 

Рисунок.3 Топология первого интервала

1) SiC верхнего плеча (HS) включен, а HS GaN выключен, как показано на рис. 3 выше, где ток L1 разряжается через HS SiC и выходную нагрузку, ток L2 заряжается через GaN нижнего плеча (LS).

image 

Рисунок.4 Топология второго интервала

2) В HS SiC выключен, а в HS GaN включен, как показано на рис. 4, где ток L1 заряжается через LS SiC, а ток L2 разряжается через HS GaN и выходную нагрузку.

image 

Рисунок.5 Топология третьего интервала

3) Вместе HS SiC и HS GaN отключены на рис. 5, где L1 заряжается через LS SiC, а ток L2 заряжается через LS GaN.

 

Ⅱ. Результаты после моделирования

Чтобы исследовать потери мощности и эффективность преобразователя, выполняется моделирование на основе специй. Существуют различные методы расчета потерь мощности, например, использование данных моделирования на основе специй или использование таблицы данных устройства. В данном исследовании этот метод представляет собой аналитическую комбинацию обоих упомянутых методов.

Например, для расчета потерь на переключение значения времени включения и выключения наблюдаются в результате моделирования; при расчете потерь проводимости, потерь обратного восстановления и потерь на затворе значения RDS(on), Qrr и Qg(tot) берутся из таблицы данных транзистора.

А. Потери при переключении:

image 

Уравнение 4

По сравнению с SiC величины Ton и Toff для GaN меньше, и, следовательно, устройства на основе GaN имеют тенденцию иметь более незначительные потери при переключении мощности.

Б. Потеря проводимости:

image 

Уравнение 5

В приведенном выше уравнении D — рабочий цикл соответствующего устройства. Поскольку КПД предлагаемого преобразователя выше, чем у двухфазного преобразователя на основе SiC, отсюда и основной вклад в потери мощности при переключении.

C. Потери при обратном восстановлении:

image 

Уравнение 6

Здесь Qrr — заряд обратного восстановления основного диода устройства. Поскольку Qrr для устройств GaN равен нулю, это не является большим недостатком по сравнению с потерями при переключении.

 

Ⅲ. Заключение

Был проведен эксперимент по тестированию нового преобразователя постоянного тока для общепринятой системы постоянного тока в электроэнергетике. Благодаря использованию GaN-транзисторов удалось избежать многочисленных сложностей, связанных с многофазными преобразователями, и успешно достичь всех эксплуатационных целей. Чтобы убедиться в этом, исследователи провели анализ потерь мощности, в ходе которого предложенный преобразователь сравнивали с преобразователем на основе SiC.

Результаты моделирования показали более высокий и сбалансированный КПД по сравнению с преобразователем на основе SiC. В диапазоне 5-40 КВт предложенный преобразователь продемонстрировал максимальную эффективность при малых, средних и полных нагрузках.



Related Articles

Новые технологии хранения данных: MRAM, RRAM и PCRAM.

Release time:2024-03-16       Page View:137
Полупроводниковая промышленность обращается к новым технологиям памяти, которые обеспечивают более высокую производительность хранения, более низкую стоимость и возможность перехода к миниатю...

Что такое проходной конденсатор?

Release time:2024-03-16       Page View:575
Всем привет.Я Роуз.Сегодня я познакомлю вас с проходным конденсатором.Проходной конденсатор представляет собой трехполюсный конденсатор, который используется для снижения высоких частот.Проход...

Введение в корпус микросхем

Release time:2024-03-13       Page View:129
В последние годы появились технологии упаковки микросхем и появились новые термины.Можно перечислить как минимум несколько десятков названий, связанных с корпусами микросхем.КаталогУпаковка ИС...

Подробное объяснение двадцати видов конденсаторов

Release time:2024-03-13       Page View:324
Привет всем, я Роуз.Сегодня я представлю вам 20 видов конденсаторов.Я проиллюстрирую их в трех или четырех аспектах: структура, особенности, использование, преимущества и недостатки.Керамический ко...

Что такое полипропиленовый конденсатор?

Release time:2024-03-13       Page View:144
Полипропиленовый конденсатор — это разновидность конденсатора с очень стабильной электрической емкостью.Он часто используется в приложениях, требующих очень точного определения емкости, и може...

Какие датчики используются в промышленных роботах?

Release time:2024-03-13       Page View:139
Многие хорошие производственные предприятия по всему миру начали строить умные фабрики по мере развития промышленного Интернета вещей, дополненной реальности, облачных вычислений и других техно...

Что такое 3D XPoint?

Release time:2024-03-13       Page View:304
Micron и Intel совместно разработали технологию 3D Xpoint — энергонезависимую технологию хранения данных.Сообщается, что задержка 3D Xpoint измеряется всего в наносекундах, что делает ее в 1000 раз быстрее и д...

Понимание датчика автономного вождения

Release time:2024-03-13       Page View:141
Восприятие окружающей среды — это процесс сбора базовой информации об окружающей среде с помощью датчиков, а также основа автономного вождения.Уровень автоматизированного вождения варьируется в...

Что такое ASIC-чип?

Release time:2024-03-13       Page View:342
ASIC (интегральная схема специального назначения) — это интегральная схема специального назначения, которая представляет собой интегральную схему, разработанную и изготовленную в соответствии с...

Активный электроакустический резонатор-бесшумный динамик

Release time:2024-03-13       Page View:138
Привет всем, я Роуз.Сегодня я познакомлю вас с активным электроакустическим резонатором.Единственным компонентом этой системы является динамический динамик закрытого типа.Поверхностный акустич...

Что такое процессор базовой полосы?

Release time:2024-03-12       Page View:120
Процессор основной полосы используется для синтеза передаваемого группового сигнала или для декодирования принятого группового сигнала.В частности, при передаче аудиосигнал компилируется в код...

Подходит ли цифровая радиочастотная память (DRFM) для спуфинга помех?

Release time:2024-03-12       Page View:219
Привет всем, добро пожаловать обратно в новый пост сегодня.Интеллектуальные глушилки, также известные как глушилки с вводящей в заблуждение или глушилки с цифровой радиочастотной памятью (DRFM), о...
RFQ
BOM