Защита от обратного напряжения для зарядных устройств
Привет всем, я Роуз. Добро пожаловать в новый пост сегодня. В этом посте будут представлены несколько хорошо известных методов обработки инверсии напряжения питания.
Темы, затронутые в этой статье: |
Ⅰ. Введение |
Ⅱ. Конструкция N-канального МОП-транзистора |
Ⅲ. Конструкция P-канального МОП-транзистора |
Ⅳ. Краткое содержание |
Ⅰ. Введение _
Существует несколько хорошо известных подходов к решению проблемы инверсии напряжения питания. Наиболее очевидным решением является подключение диода между источником питания и нагрузкой, однако прямое напряжение диода приведет к увеличению рассеиваемой мощности. Диоды неэффективны в портативных устройствах или устройствах резервного копирования, поскольку батарея должна потреблять ток при зарядке и подавать ток, когда она не заряжается, несмотря на то, что этот метод элегантен.
Другой способ — использовать одну из схем MOSFET, показанных на рисунке 1.

Фигура. 1 Традиционная защита от обратного хода со стороны нагрузки
Этот метод превосходит использование диодов для цепей на стороне нагрузки, поскольку напряжение питания (батареи) повышает МОП-транзистор , что приводит к уменьшению падения напряжения и значительно более высокой проводимости. Поскольку дискретные NMOS- транзисторы имеют более высокую проводимость, более низкую стоимость и лучшую доступность, версия NMOS этой схемы превосходит версию PMOS . Когда напряжение батареи положительное, МОП-транзистор в обеих цепях включается, а когда напряжение батареи меняется на противоположное, он отключается. Поскольку вариант PMOS имеет более высокий потенциал, а вариант NMOS — более низкий потенциал, физическим «стоком» MOSFET становится источник питания . МОП-транзисторы хорошо проводят ток в обоих направлениях, поскольку они электрически симметричны в триодной области. При использовании этого метода транзистор должен иметь максимальный номинал VGS и VDS выше напряжения батареи.
К сожалению, это решение работает только со цепями нагрузки и не работает со цепями зарядки аккумулятора. Зарядное устройство подаст питание, снова включите MOSFET . и восстановите обратное подключение аккумулятора. На рис. 2 показан пример работы версии NMOS с неисправной батареей.

Фигура. 2 Схема защиты со стороны нагрузки с одним зарядным устройством
Зарядное устройство выключается, когда аккумулятор подключен, а нагрузка и зарядное устройство безопасно отсоединены от обратной батареи. Когда зарядное устройство включено (например, при подключенном входном разъеме питания), между затвором и истоком NMOS создается напряжение, что улучшает способность NMOS проводить ток. На рисунке 3 это показано более подробно.

Фигура. 3 традиционные схемы защиты аккумуляторов от обратного тока неэффективны для цепей зарядного устройства аккумуляторов
Хотя нагрузка и зарядное устройство защищены от обратного напряжения, защитные МОП-транзисторы страдают от высокой рассеиваемой мощности. В этом случае зарядное устройство становится разрядником аккумулятора. Когда зарядное устройство батареи обеспечивает достаточную поддержку затвора для MOSFET , чтобы потреблять ток зарядного устройства, схема достигнет равновесия. Выходное напряжение зарядного устройства будет регулироваться на уровне 2 В (сток полевого МОП-транзистора составляет 2 В + напряжение батареи), если VTH мощного полевого МОП-транзистора составляет около 2 В и зарядное устройство может подавать ток при 2 В. ICHARGE•(VTH+VBAT) — это мощность, рассеиваемая на МОП-транзисторе . Это приводит к нагреву МОП-транзистора и его рассеиванию от печатной платы. То же самое касается версии этой схемы с PMOS.
Ниже представлены две альтернативы этому методу, каждая из которых имеет свои преимущества и недостатки.
Ⅱ. Конструкция N-канального МОП-транзистора
В первом решении используется изолирующее устройство NMOS, как показано на рисунке 4.
Изолирующий МОП-транзистор должен быть отключен, если напряжение батареи превышает выходное напряжение зарядного устройства в соответствии с алгоритмом схемы.
MN1 подключен к нижней стороне провода между клеммами зарядного устройства/нагрузки и аккумулятора в этой схеме, как и в подходе NMOS, описанном выше. Однако в случае обратного подключения батареи транзисторы MP1 и Q1 теперь имеют схему обнаружения, которая отключает MN1. При переворачивании аккумулятора исток МП1 поднимается над его затвором, который соединен с положительной клеммой зарядного устройства. Затем сток MP1 подает ток на базу Q1 через R1. Затем затвор MN1 шунтируется на землю с помощью Q1, предотвращая протекание зарядного тока в MN1. Во время обратного обнаружения R1 отвечает за управление током базы, протекающим на Q1, а R2 отвечает за обеспечение отвода тока базы Q1 во время нормальной работы. Q1 получает разрешение от R3 подвести затвор MN1 к потенциалу земли. Делитель напряжения R3/R4 управляет напряжением на затворе MN1, позволяя напряжению на затворе меньше падать во время обратной горячей замены батареи. Худший сценарий — когда перевернутая батарея подключена к зарядному устройству, которое уже работает и обеспечивает постоянный уровень напряжения. В этом случае MN1 необходимо отключить как можно скорее, чтобы сократить время, в течение которого расходуется высокая мощность. R3 и R4 в этой версии схемы лучше всего подходят для свинцово-кислотных аккумуляторов напряжением 12 В, но R4 можно не использовать в приложениях с более низким напряжением, таких как одноэлементные и двухэлементные литий-ионные устройства . Во время обратного подключения батареи конденсатор C1 действует как сверхбыстрый зарядный насос, понижая уровень затвора MN1. При подключении обратной батареи C1 полезен в худшем случае, когда зарядное устройство снова включается.
Недостаток этой схемы в том, что она требует использования дополнительных компонентов, а делитель R3/R4 создает небольшую, но постоянную нагрузку на батарею.
Большинство таких компонентов имеют небольшие размеры. MP1 и Q1 не являются силовыми устройствами и часто помещаются в SOT23-3, SC70-3 или меньше SOT23-3, SC70-3 или меньше SOT23-3, SC70-3 или меньше SOT23-3, SC70-3, или меньше S Поскольку MN1 является передающим устройством, оно должно иметь отличную проводимость, но не обязательно должно быть особенно большим. Даже для устройств со средней проводимостью его рассеиваемая мощность невелика, поскольку он работает в области глубокого триода и имеет сильное усиление затвора. Например, транзисторы шириной менее 100 м часто упаковываются в SOT23-3.

Фигура. 4. Возможная обратная цепь аккумулятора.
Однако использование крошечного проходного транзистора имеет недостаток, заключающийся в увеличении времени зарядки во время фазы зарядки при постоянном напряжении из-за повышенного сопротивления последовательно с зарядным устройством аккумулятора. Продолжительность зарядки во время фазы зарядки при постоянном напряжении будет увеличена, если батарея и ее проводка имеют эквивалентное последовательное сопротивление 100 м и используется изолирующий транзистор 100 м.
Схемы обнаружения и деактивации MP1 и Q1 не очень быстро деактивируют MN1, да это и не обязательно. При обратном подключении батареи MN1 потребляет много энергии, однако схема отключения просто отключает MN1 «в конце». MN1 необходимо отключить до того, как он нагреется до такой степени, что может причинить вред. Возможно, достаточно времени отключения в десятки микросекунд. Однако отключение MN1 до того, как перевернутая батарея получит возможность отключить зарядное устройство и напряжение нагрузки, имеет решающее значение, поэтому требуется C1. По существу, схема имеет один отключенный путь переменного и один постоянный ток .
Для проверки этой схемы использовались свинцово-кислотный аккумулятор и зарядное устройство LTC4015. При горячей замене обратной батареи зарядное устройство выключается, как показано на рисунке 5. Обратное напряжение не влияет на зарядное устройство и нагрузку.

Фигура. 5 Схема защиты NMOS с зарядным устройством в выключенном состоянии
Стоит отметить, что для MN1 требуется VDS того же напряжения, что и аккумулятор, и VGS, равный 1/2 напряжения аккумулятора. MP1 требует номинала VDS и VGS того же напряжения, что и аккумулятор.
Когда обратная батарея заменяется в горячем режиме, на рис. 6 показано более серьезное состояние, при котором зарядное устройство уже работает в штатном режиме. Обратное подключение батареи снижает напряжение зарядного устройства до тех пор, пока схемы обнаружения и защиты не отключат его, позволяя зарядному устройству безопасно восстановить постоянный уровень напряжения. Динамика будет отличаться от одного приложения к другому, а емкость зарядного устройства будет иметь значительное влияние на конечный результат. Зарядное устройство аккумулятора в этом тесте имеет керамический конденсатор с высокой добротностью и полимерный конденсатор с более низкой добротностью.

Фигура. 6 Схема защиты NMOS при работающем зарядном устройстве
Наконец, в зарядных устройствах рекомендуется использовать алюминиевые полимерные и алюминиевые электролитические конденсаторы для повышения производительности во время плановой горячей замены положительной батареи. Из-за своей сильной нелинейности чисто керамические конденсаторы подвергаются значительному перерегулированию во время горячей замены; причина этого в том, что их емкость снижается на поразительные 80% при переходе напряжения от 0 В до номинального. Эта нелинейность вызывает фатальную комбинацию быстрого протекания тока при низких напряжениях и быстрого уменьшения емкости при повышении напряжения, что приводит к очень высоким выбросам напряжения. Наиболее устойчивой комбинацией является керамический конденсатор в сочетании с алюминиевым конденсатором, стабилизированным по напряжению, с более низкой добротностью или даже с танталовым конденсатором.
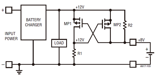
Ⅲ. Конструкция P-канального МОП-транзистора
На рисунке 7 показан второй метод, в котором в качестве защитного устройства используется PMOS-транзистор.

Фигура. 7 Версия проходного элемента транзистора PMOS
MP1 — это устройство обнаружения обратной батареи, а MP2 — устройство обратной изоляции в этой цепи. Сравните положительную клемму батареи с выходом зарядного устройства, используя напряжение истока-затвора MP1. MP1 отключит главное передающее устройство MP2 , если напряжение на клеммах зарядного устройства выше напряжения аккумулятора. В результате, если напряжение батареи снижается ниже уровня земли, устройство обнаружения MP1 явно вызовет выключение проходного устройства MP2 (нарушит работу его затвора в направлении истока). Независимо от того, включено ли зарядное устройство и создает зарядное напряжение или нет, это делается (0В).
Наиболее важным преимуществом этой схемы является то, что изолирующий PMOS-транзистор MP2 не имеет права подавать отрицательное напряжение в цепь зарядного устройства или нагрузку. На рисунке 8 это показано более подробно.

Фигура. 8. Иллюстрация каскадного эффекта
Через R1 наименьшее достижимое напряжение на затворе MP2 равно 0 В. Несмотря на то, что сток MP2 утоплен глубоко под землей, источник не оказывает существенного понижающего напряжения. Транзистор устранит смещение, и его проводимость уменьшится до тех пор, пока напряжение источника не упадет до уровня VTH, где транзистор находится над землей. Чем выше степень смещения транзистора, тем ближе напряжение источника к земле. Эта характеристика вместе с простой топологией делает этот подход более привлекательным, чем подход NMOS, обсуждавшийся ранее. Его недостатки заключаются в меньшей проводимости и более высокой стоимости PMOS-транзисторов по сравнению с подходом NMOS.
У этой схемы есть один большой недостаток, несмотря на то, что она проще, чем технология NMOS. Хотя он всегда защищает от обратного напряжения, цепь не всегда может быть подключена к аккумулятору. Схема генерирует элемент хранения с защелкой, когда вентили перекрестно связаны, как указано, который имеет возможность выбрать неправильное состояние. Бывает случай, когда зарядное устройство выдает напряжение (скажем 12В), аккумулятор подключается при более низком напряжении (скажем 8В), а цепь отключается, что затруднительно выполнить.
В этом сценарии напряжение истока-затвора MP1 составляет +4 В, что усиливает MP1 и отключает MP2. На рисунке 9 показано это обстоятельство с указанием установившегося напряжения узла.

Фигура. 9 Схема возможных состояний блокировки при использовании схемы защиты PMOS
Для достижения этой ситуации, когда аккумулятор подключен, зарядное устройство уже должно быть включено. Если батарея подключена до включения зарядного устройства, батарея повышает напряжение затвора MP1, тем самым деактивируя MP1. Когда зарядное устройство включено, оно создает контролируемый ток (а не большой скачок тока), что снижает вероятность включения MP1, в то время как MP2 остается выключенным.
Если зарядное устройство включено до подключения аккумулятора, затвор MP1 просто следует за выходом зарядного устройства аккумулятора, поскольку предохранительный резистор R2 подтягивает его вверх. МП1 не имеет склонности включаться и выключать МП2, когда аккумулятор не подключен.
Проблема возникает, когда зарядное устройство уже включено и подключен аккумулятор. В этом случае существует кратковременная разница напряжений между выходом зарядного устройства и клеммами аккумулятора, из-за чего MP1 отключает MP2, когда конденсатор зарядного устройства садится из-за напряжения аккумулятора. Это приводит к борьбе между способностью MP2 поглощать заряд из конденсатора зарядного устройства и способностью MP1 отключать MP2.
Для проверки схемы также использовались свинцово-кислотный аккумулятор и зарядное устройство LTC4015. Состояние «отключено» никогда не возникнет при подключении сильно нагруженного источника 6 В, например эмуляции аккумулятора, к уже включенному зарядному устройству. Проведенных тестов недостаточно, и важные приложения должны быть тщательно протестированы. Даже если цепь замкнется, отключение и повторное включение зарядного устройства всегда приведет к повторному подключению.
Временное соединение между верхушкой R1 и выходом зарядного устройства можно использовать для обозначения неисправности. С другой стороны, эта схема считается более склонной к соединениям. При возникновении сбоя соединения может быть создана схема, отключающая зарядное устройство аккумулятора с помощью нескольких устройств. Более полная схема показана на рисунке 12.
На рисунке 10 показано действие схемы защиты PMOS при выключенном зарядном устройстве.
Важно отметить, что зарядное устройство аккумулятора и напряжение нагрузки никогда не будут испытывать отрицательного переноса напряжения.
В неблагоприятных обстоятельствах, когда «зарядное устройство уже работает при обратной замене батареи в горячем режиме», на рисунке 11 показана схема.
Реверсивная батарея, как и схема NMOS, несколько снижает напряжение зарядного устройства и нагрузки, прежде чем отключить цепь и отключить проходной транзистор MP2.
Транзистор MP2 должен выдерживать VDS, удвоенное напряжение батареи (одно для зарядного устройства и одно для обратной батареи) и VGS, равное напряжению батареи в этой версии схемы. С другой стороны, MP1 должен поддерживать VDS, равный напряжению батареи, а VGS — вдвое больше напряжения батареи. Это плохо, поскольку номинальный VDS МОП-транзисторов всегда превосходит номинальный VGS. Для свинцово-кислотных аккумуляторов доступны транзисторы с допусками 30 В VGS и 40 В VDS. Для поддержки батарей более высокого напряжения схему необходимо модифицировать, добавив стабилитрон и токоограничивающий резистор.
На рисунке 12 показан пример схемы, способной работать с двумя свинцово-кислотными батареями, установленными последовательно.

Фигура. 10 Схема защиты PMOS при выключенном зарядном устройстве
Фигура. 11 Схема защиты PMOS при работающем зарядном устройстве
Analog Devices уверена в точности и надежности предоставляемых данных. Analog Devices , с другой стороны, не несет ответственности за его использование или любое нарушение патентов третьих лиц или других прав, которые могут возникнуть в результате этого. Технические характеристики могут быть изменены в любое время без предварительного уведомления. Косвенно или иным образом, компания ADI не получает никаких лицензий на основании каких-либо патентов или патентных прав.
Фигура. 12. Защита от обратного тока батареи при более высоком напряжении.
Затворы MP2 и MP3 защищены от повреждения высоким напряжением с помощью D1, D3 и R3. При горячей замене перевернутой батареи D2 предотвращает быстрое падение выходной мощности MP3 и зарядного устройства под землю. Когда в схеме перевернута батарея или происходит блокировка ложного отключения, MP1 и R1 используют отсутствующую функцию RT LTC4015 для отключения зарядного устройства батареи.
Ⅳ. Краткое содержание
Для приложений, использующих зарядное устройство, можно спроектировать схему защиты от обратного напряжения. Некоторые схемы были созданы и протестированы в течение короткого времени, и результаты оказались многообещающими. Хотя волшебного ответа на проблему обратной батареи не существует, возможно, подход, представленный в этом посте, дает достаточно знаний, чтобы найти простое и недорогое решение.
Frequently Asked Questions
















