Исследование сильных и слабых сторон устройств с широкой запрещенной зоной в электроприводах переменного тока
Широкозонные материалы стали пионерами в эпоху силовых устройств, изменив производительность и эффективность электронных систем. Кремний, традиционный полупроводниковый материал, имеет ограничения, которые становятся очевидными по мере роста требований к питанию. Материалы WBG, такие как карбид кремния и нитрид галлия, обладают высокой частотой переключения, низкими потерями и способностью работать при высоких температурах, что делает их идеальным выбором для силовых устройств.
Эта характеристика приводит к снижению потерь энергии и повышению удельной мощности, что делает устройства WBG идеальными для таких применений, как преобразователи мощности и инверторы в электромобилях и системах возобновляемых источников энергии. Уникальные электрические свойства материалов WBG открывают путь к созданию более компактной, легкой и эффективной силовой электроники, способствуя переходу к более экологичному и устойчивому энергетическому ландшафту.
Кроме того, использование материалов ГВБ в силовых устройствах имеет глубокие последствия для аэрокосмической и телекоммуникационной отраслей. Высокочастотные возможности полупроводников WBG позволяют создавать более эффективную и компактную силовую электронику в спутниковых системах и устройствах связи.
Благодаря неустанному спросу на миниатюризацию и повышение производительности материалы WBG служат катализаторами технологических достижений, продвигая отрасли в новую эру энергоэффективных и высокоскоростных электронных решений. Поскольку исследования и разработки в области материалов ГВБ продолжают процветать, интеграция этих материалов в силовые устройства может переопределить возможности и эффективность электронных систем в различных секторах.
Исследование превосходства и роли устройств WBG в моторных приводах
Моторные приводы, основной строительный блок электромеханических систем, являются сердцем, обеспечивающим бесшовное соединение машин и устройств. Моторные приводы регулируют скорость, крутящий момент и направление работы электродвигателей, преобразуя электрическую энергию в точное механическое движение, поэтому важно, чтобы эти приводы имели максимальную эффективность и точность. В результате устройства WBG интегрируются в электроприводы для многочисленных применений, таких как работа высокоскоростных двигателей, двигателей с низкой индуктивностью и электроприводов, работающих при высоких температурах. Например, двигатели с низкой индуктивностью могут использовать Si MOSFET, поскольку они способны переключаться на частоте до 50 кГц и обеспечивать желаемую пульсацию тока, что в конечном итоге повышает надежность и эффективность. Традиционным материалам, таким как кремний, не хватает необходимого критического электрического поля, как показано на рисунке 1, что делает устройства WBG идеальным выбором для электроприводов.
Рисунок 1: Сравнение ключевых электрических параметров широкозонных материалов и кремния.
С другой стороны, популярность высокоскоростных электрических машин растет главным образом из-за их превосходной удельной мощности, что становится возможным за счет интеграции двигателя с компрессором через коробку передач. Поэтому были приняты во внимание высокочастотные способности SiC Mosfets, что в конечном итоге позволило двигателю работать на той же скорости, что и компрессор, тем самым исключив коробку передач. Одно только это нововведение повысило надежность и эффективность приводов на основе GaN примерно на 4 процента по сравнению с традиционными двигателями на основе Si.
Полупроводники с более широкой запрещенной зоной могут работать при высоких температурах по сравнению с обычным кремнием. Интегрированные моторные приводы набирают большую популярность, поскольку они напрямую заменяют неэффективные онлайн-двигатели с прямым приводом, однако, поскольку преобразователь и двигатель находятся в непосредственной близости, температура находится на рекордно высоком уровне. Таким образом, разработка силовых модулей WBG с блокировкой высоких частот и обратного напряжения оказалась идеальным выбором для высокотемпературных приложений, таких как IMD.
Преодоление препятствий на пути к раскрытию максимального потенциала устройств с широкой запрещенной зоной в системах электропривода
Устройства с широкой запрещенной зоной оказались полезными для высокотемпературных, высокоскоростных двигателей с низкой индуктивностью, однако эти устройства генерируют значительные электромагнитные помехи, которые увеличиваются с увеличением частоты переключения. Сравнение характеристик кондуктивных электромагнитных помех для различных устройств с широкой запрещенной зоной показано на рисунке 2. Это ясно показывает, что во время переходных процессов в инверторе SiC JFET возбуждаются паразитные колебания, которые являются основным виновником шумовых характеристик и низкого КПД.
Рис. 2. Сравнение электромагнитных помех SiC MOSFET и электроприводов на базе Si IGBT.
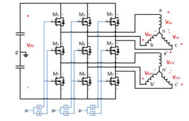
Для решения этой проблемы для устройств WBG применяется несколько инновационных топологий подавления напряжения и фильтрации CM, которые значительно уменьшают образование электромагнитных помех. Кроме того, используется интеграция конфигурации статора с двойной обмоткой и топологии инвертора, как показано на рисунке 3. Этот метод специально настроен. для приводов двигателей с ШИМ с симметричными схемами компенсирует дополнительное напряжение CM, тем самым уменьшая общие электромагнитные помехи в системе.
Рис. 3. Топология инвертора с подавлением напряжения новой конструкции CM с двухобмоточным статором.
Заключение
Устройства WBG служат важным инструментом для широкого спектра применений приводов двигателей, оказываясь особенно выгодными для двигателей с низкой индуктивностью, высокоскоростных двигателей и операций в высокотемпературных средах. Приложения с электроприводом значительно выиграют от внедрения устройств WBG, демонстрируя улучшение удельной мощности, динамического отклика и общей энергоэффективности. Однако для реализации максимального потенциала устройств WBG требуется сложная конструкция преобразователя. В частности, жизненно важно включение правильно спроектированных драйверов затворов, обеспечивающих быстрое переключение с минимальными перерегулированиями и потерями.
Кроме того, конструкция преобразователя должна решать такие задачи, как минимизация паразитной индуктивности в контуре коммутации и реализация быстрой защиты от короткого замыкания для переключателей WBG. Эти соображения имеют решающее значение для оптимизации производительности и использования всех преимуществ устройств WBG в системах моторного привода.
Чтобы оправдать более высокую стоимость устройств с широкой полосой пропускания и полностью использовать их, их необходимо быстро переключать. Однако эти высокие скорости приводят к усилению электромагнитных помех. Это высокое изменение напряжения в двигателе также вызывает возникновение тока, называемого синфазным, который может повредить изоляцию двигателя. Если мы решим переключать устройства WBG на гораздо более медленных скоростях, это сохранит совместимость со стандартами изоляции, используемыми сегодня в двигателях. Таким образом, мы можем использовать методы управления электромагнитными помехами, аналогичные тем, которые мы используем в современных приводах на основе биполярных транзисторов с изолированным затвором. Однако компромисс заключается в том, что более низкие скорости означают, что мы не в полной мере используем преимущества мощности и эффективности, которые предлагают устройства WBG, которые имеют решающее значение для уравновешивания более высокой стоимости этих устройств. Поэтому вводятся новые и инновационные технологии, такие как интеграция топологии инвертора и статора с двойной обмоткой, для уменьшения генерации электромагнитных помех при более высоких скоростях и напряжениях.
